- 銷售一部:王經(jīng)理
- 銷售電話:18672222488
- 銷售二部:劉經(jīng)理
- 銷售電話:13451281322
- 銷售三部:王經(jīng)理
- 銷售電話:13872882215
- 固定電話:0722-7029866
- 固話傳真:0722-3220988
- 微信公眾號:wxq18672222488
- 在線咨詢:18672222488

- 企業(yè)郵箱:clqcdy@163.com
湖北程力側裝后卸(壓縮)式掛桶垃圾車使用說明書
導讀:湖北程力掛桶垃圾車又名自裝卸式垃圾車主要用于各環(huán)衛(wèi)市政及大型廠礦部門運載各種垃圾,亦可運輸灰、砂、石、土等散裝建筑材料,也可以在礦山或煤礦中運送礦石或…
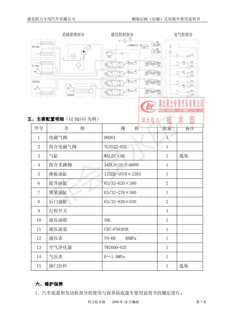
湖北程力掛桶垃圾車又名自裝卸式垃圾車主要用于各環(huán)衛(wèi)市政及大型廠礦部門運載各種垃圾,亦可運輸灰、砂、石、土等散裝建筑材料,也可以在礦山或煤礦中運送礦石或煤。由密封式垃圾廂、液壓系統(tǒng)、操作系統(tǒng)組成。舉升油制缸(2支)垃圾廂可自吊上放下,上下一次工作循環(huán)時間≤50S。另外還可以改裝壓縮功能。湖北程力側裝后卸(壓縮)式掛桶垃圾車使用說明書:![]() ![]() ![]() ![]() ![]() ![]() ![]() ![]() ![]() ![]() |
上一篇:湖北程力車廂可卸式勾臂垃圾車使用說明書
下一篇:湖北程力集團2019年元旦放假通知











